Projet SNCF

De troyesGEII
Aller à : navigation, rechercher

Découverte du projet

Nous avons choisi ce projet parmi la vingtaine proposée en début d'année, car il nous permet à la fois de découvrir un environnement que l'on connait peu, la SNCF et son centre de maintenance, mais aussi la remise à neuf des batteries utilisées dans les différents trains : TGV, RER, Intercité ... Intéressés par les systèmes embarqués et autonomes, ce projet nous permet de faire nos premiers pas dans ce domaine.

Machine permettant le remplissage des batteries


Nous nous sommes rendus sur le centre de maintenance de Romilly sur Seine, le jeudi 25 Septembre 2015, afin de rencontrer notre tuteur professionnel de projet, M. Mêlé, ainsi que découvrir la machine sur laquelle nous allons travailler. Nous avons pu visiter une bonne partie du site de maintenance, notre tuteur nous expliquant le type de batterie utilisée (batteries au nickel), ainsi que l'intérêt de changer le liquide électrolytique présent dans ces dernières, à savoir retrouver les pleines capacités de la batterie. Ceci évite donc un gaspillage, et un surcoût en cas de recyclage du liquide par une autre entreprise. Suite à cette visite qui a durée 1h30, M. Mêlé, nous a fourni la carte électronique présente dans la machine et qui contrôle les pompes, ainsi qu'un afficheur et sa connectique également présent dans la machine.


Notre stage nous est fourni par Mr Mêlé opérateur de la SNCF. Nous avons convenue d'un rendez-vous pour voir et connaitre notre projet. Celui-ci consiste à étudier le fonctionnement d'un appareil permettant de remplir des batteries. Celles-ci doivent être "vidangés" afin qu'elles retrouvent leur pleine capacité pour permettre une alimentation en électricité du train. Cette technique consiste à économiser l'achat de nouvelle batterie en les rénovant par le nettoyage et le remplissage.

Notre mission est de reproduire le schéma électrique de la carte, de l'étudier et d'en faire une documentation permettant de tester la carte et de réparer chacun des composants présents sur celle-ci.

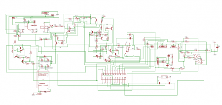
Etude de la carte électronique

Reconstitution du schéma de la carte électronique

Schéma non simplifié de la carte électronique

Pour pouvoir trouver et remplacer un composant en panne, il est nécessaire de reproduire le schéma électrique auquel on associera des points de mesure avec des valeurs à trouver lors d'un bon ou mauvais fonctionnement de ceux-ci. Les valeurs des composants sont enregistrés dans un tableau Excel que l'on exploitera par la suite.

Nous avons choisi de reproduire le schéma de la carte avec le logiciel Eagle, présent à l'IUT. La saisie de ce schéma fut fastueux, nous avons réalisé dans un premier temps le schéma sans simplification,(voir illustration), puis nous avons tenter de le simplifier au maximum, afin qu'il soit plus facilement lisible.

Pour essayer de simplifier le schéma au maximum, nous allons tout d'abord raccourcir les pistes, pour cela nous allons commencer par mettre le transformateur à part. C'est à dire que l'on ne relie pas les pistes directement au circuit secondaire du transformateur, nous allons donc plutôt relier les sorties du transformateur à un vcc, ce qui va nous permettre alors de placer de nouveau ces vcc là où nous avions une piste reliée à la sortie du transformateur, plus précisément à la sortie du condensateur relié au transformateur via le pont de Graetz que nous étudierons plus bas. Nous devons également raccourcir les pistes que l'on ne peut pas mettre de côté, nous allons par exemple plutôt relier un composant au nœud présent sur la piste ceci nous permettra donc plus de clarté dans la lecture du schéma, quitte à déplacer certains composants cela modifiera forcément la disposition du schéma, alors qu'auparavant nous avons essayer de garder visibles les blocs fonctionnels. Nous avons donc trouver un compromis entre la clarté de lecture du schéma et la simplicité de repérage des différents composants.



Création des composants sur Eagle

Afin de respecter le schéma électrique au maximum, nous avons du créer certains composants peu commun. Ainsi nous avons créer les différents fusibles, le relai car ceux présents dans la librairie de base du logiciel ne correspondait pas tout à fait à celui présent sur notre carte, le transformateur car à nouveau il était absent de la librairie de base. Nous avons également créer le composant principal de la carte : le microcontroleur. Pour pouvoir créer des composant, nous utilisons bien sûr le même logiciel que pour reproduire le schéma électrique : Eagle. Pour ceci, il suffit de cliquer sur l'onglet fichier, puis nouveau et enfin librairie. A partir de là, il faut tout d'abord recréer le schématique du composant, c'est à dire la fonction interne qu'il exécute, ensuite, une fois le schéma terminé, il faut maintenant créer son board, le board est la représentation physique du composant. Pour finir il suffit de relier le schématique et le board en précisant quelle patte du schématique correspond à quelle patte du board.

Alimentation

Circuit Primaire

Sur notre carte se trouve un transformateur, ce composant permet de passer d'une tension à une autre, par exemple il permet de passer d'une tension de 230V sinusoïdal (réseau EDF) à une tension de 12V. Attention la tension en sortie est toujours une sinusoïdale de même fréquence que celle à l'entrée du transformateur. Lors de l'étude préliminaire de la carte nous ne comprîmes pas vraiment la présence de ce transformateur, étant donné que notre tuteur professionnel nous avais indiqué le fait que la machine remplit les batteries uniquement lorsqu'elle est branchée sur sa batterie et non pas sur le secteur. Puis en étudiant les différentes photos de l'unité de remplissage, nous avons remarqué que la carte s'occupe également de la recharge de la batterie, lorsque l'on est branché sur le secteur. Ce qui explique donc la présence du transformateur. Au circuit primaire du transformateur, on remarque la présence de sécurité, via des composants tels que un fusible de caractéristique 250V et 500mA, qui va évité une sur-intensité et un condensateur, qui lui va nous permettre de protéger les composants en cas de sur-tension. C'est grâce au fusible présent à l'entrée du circuit primaire, entre la phase et le neutre, que nous avons pu déterminé la tension d'entrée du transformateur : le réseau EDF soit environ 230V 50Hz.

Circuit Secondaire

Pont de Graetz avec condensateur de forte capacité

Le circuit secondaire de notre transformateur est directement relié à un pont de Graetz (voir ci-contre), également appelé un pont de diode. Ce type de montage permet de passer d'une tension alternative à une tension continue. Mais le pont seul ne permet pas d'avoir une tension parfaitement continue sans aucune variation, c'est donc pour cela, qu'un condensateur de forte capacité (4700µF) est placé juste après le pont de Graetz, il permet lui de linéariser la tension et donc de supprimer toutes les petites variations restantes à la sortie du pont. Le secondaire du transformateur alimente à la fois la carte électronique et donc les composants présents, il alimente aussi la batterie, pour la recharge, à travers les bornes B+ et B-, mais aussi les deux pompes présentes dans l'unité de remplissage via les bornes P+ et P-. C'est grâce aux caractéristiques de ces pompes que nous avons pu déterminer la tension délivrée au secondaire à savoir comme dans notre exemple précédent : 12V. Nous en avons déduit que le transformateur permettait la recharge de la batterie, car l'unité de remplissage ne peut pas effectuer sa fonction principale lorsqu'elle est branchée au secteur.

Etude du composants ST62T20C6

Micro controleur de notre carte


Notre composant ne fait pas partie de la famille des Pick et il a fallu trouver un logiciel et un support pour traiter le ST62 de la marque STMicroElectronics. Pour cela, nous avons utilisé le BeeProg+ de la marque ELNEC.

Cette appareil est un programmeur universel pouvant lire, écrire ou effacer un microcontrôleur. Cependant, pour pouvoir copier entièrement le programme d'un micro-contrôleur, il est nécessaire de copier également l'état des fusibles de celui-ci. On observe alors deux étapes de fonctionnement du logiciel. La partie projet promet de conserver les paramètres du logiciel contenant le type de composants, le type de programmeur et l'état du microcontrôleur (contenant l'état des fusibles). Enfin, le buffer contient en Hexadécimal toutes les valeurs des entrées et sorties. L'avantage de ce type d'appareil, est qu'il est compatible avec la majorité des microcontroleur. C'est ainsi que nous avons pus extraire le programme contenu dans notre composant. Ceci dis il reste complexe à déchiffrer car comme dis précédemment toutes la valeurs des entrées et sorties est en hexadécimal.

Etude du schéma électrique

Dans cette partie, nous allons observer les différentes parties que nous avons pu identifier dans le schéma électrique de notre carte.

Commande moteurs

Partie commande moteur de la carte

Commençons avec la partie du schéma qui contrôle la commande des moteurs (pompes). On peut voir sur le schéma, que si la patte 18 du composant ST62T20C6 est à zéro logique (Ol), il n'y a donc aucun courant, la pompe n'est donc pas active (JP5 = O). Si la patte 18 de ce même composant est à l'inverse à un logique (1l), alors un certain courant circule dans la base du transistor qui deviens alors passant, le relais change donc de position donc P+(JP5) devient alors égal à V+. La diode D7 est utilisée ici en tant que diode de roue libre.



Détecteur de surtension

Partie détecteur de surtension de la carte

Passons maintenant à une autre partie de notre carte, il s'agit ici d'un détecteur de surtension, comme son nom l'indique, il va permettre d'informer l'utilisateur d'un éventuel défaut de type surtension présent sur la carte. La diode identifiée D13, est une diode d'écretage, elle permet de prendre uniquement les tensions supérieures à la tension V+. Ainsi tant que P- est une masse, c'est à dire tant qu'elle reste à 0V, alors le transistor est bloqué. donc la patte 8 du composant ST62T20C6 est à 5V. En revanche si P- possède une certaine tension alors le transistor deviens passant au bout d'une durée Ƭ = RxC, mais ici on ne peut pas déterminer cette valeur puisqu'il nous est impossible de connaitre la valeur du condensateur C. Dans ce cas là, la patte 8 passe alors à 0V.





Commande de la LED 2

partie qui commande la Led 2 de la carte

La LED 2 est donc ici une Led bicolore à masse commune. Cela signifie que la patte de droite et de gauche commande chacune une couleur de la Led tandis que la patte du milieu est la masse commune. Cette Led est commandée par la patte 19 du ST62T20C6. Si la patte 19 de ce dernier est à Ol, alors le transistor référencé Q3 dans notre schéma est bloqué, en revanche le transistor Q1 est quant à lui passant. Dans cette configuration, la Led s'allume soit orange soit rouge (il faudrait mettre sous tension pour connaître la couleur) pour indiquer une erreur à l'utilisateur. Si la patte 19 du composant est à 1l, alors le transistor Q3 est passant et la Led est éteinte. Ce qui indique alors qu'il n'y a pas d'erreur et donc que la carte fonctionne correctement.



Fonction de démarrage

Fonction de démarrage de la carte

Dans la totalité de notre étude, nous avons supposé que V+ est égal à 12V, nous avons choisi cette tension car on manque d'information et qu'il s'agit de la tension d'alimentation normale des pompes de la machines. Les condensateurs identifiés C6, C16 et C8, C17 jouent la rôle de filtre passe-haut et de filtre passe-bas. A l'appui du bouton, la tension à l'entrée du régulateur est de 12V, et comme nous l'avons appris dans le datasheet du composant 7805CV, la tension à la sortie de ce dernier est de 5V.

http://pdf.datasheetcatalog.com/datasheet/stmicroelectronics/2143.pdf

Ce +5V va permettre d'alimenter une Led, qui s'allumera de couleur verte (à nouveau il faudrait mettre sous tension pour être sur de la couleur) qui indiquera à l'utilisateur que la machine est en cours de démarrage. Cette tension de +5V va également permettre d'alimenter plusieurs parties de la carte dont le composant ST62T20C6 dont la tension d'alimentation normalisée est de 5V.